
今日,全國汽車標準化委員會在官方網站公布了由電動車輛分標委組織修訂的汽車推薦性國家標準《電動汽車用動力蓄電池產品規格尺寸》征求意見稿。
根據意見稿,在車用動力動力蓄電池行業規范逐步被完善的條件下,有關電動車輛動力電池的規格、尺寸標準被再度提出。
對于近來受騙補風波影響的新能源汽車行業而言,該標準雖然只是推薦性國家標準,但卻起到了對動力電池安裝尺寸等信息嚴格規范,避免多裝電池的作用。

相關標準出臺后,會聯同《汽車動力蓄電池行業規范條件》所涉及的相關目錄,對動力電池行業企業展開嚴格規范,通過不斷的產業引導和標準建設,盡可能規避電動汽車動力電池的安全和壽命難題
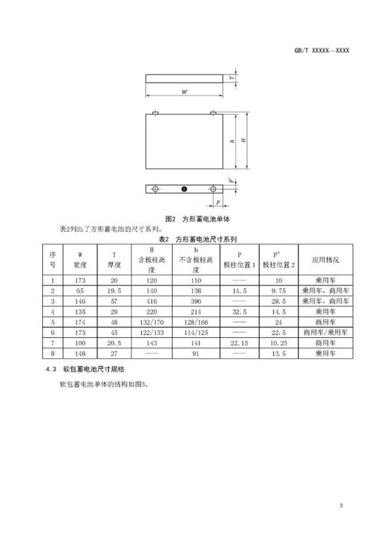
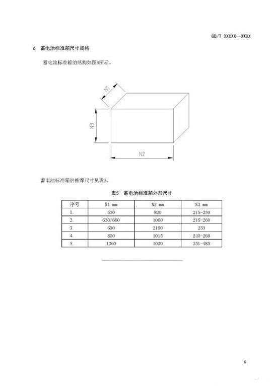
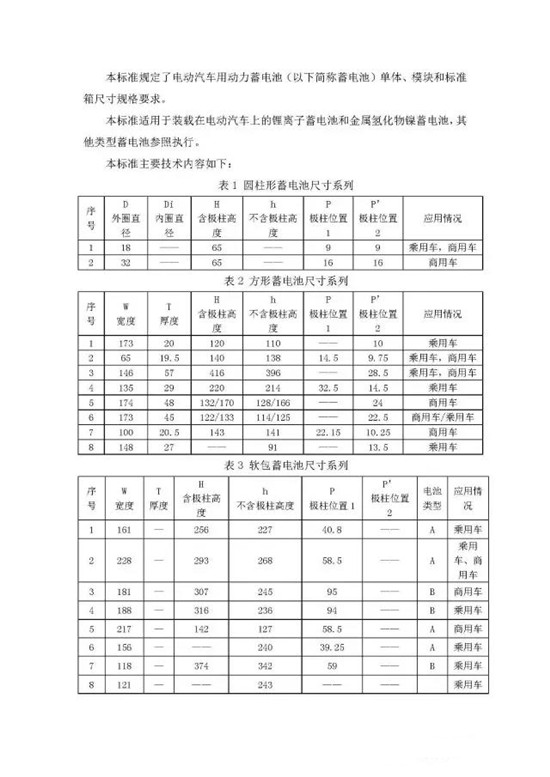
征求意見稿及編制說明截圖如下:























擴展閱讀:《工信部正制定多個動力電池指導性文件 技術路線圖近期將發布》
9月6日,在電池產業聯盟主辦的“動力·儲能電池前沿技術和應用”論壇上,記者從工信部裝備工業司汽車處處長陳春梅處獲悉,目前工信部正在加快起草和編制《促進汽車動力電池產業發展的指導意見》(下稱《指導意見》),有望在年內公布。
作為新能源汽車的心臟,動力電池受到高度重視。
9月6日,在電池產業聯盟主辦的“動力·儲能電池前沿技術和應用”論壇上,記者從工信部裝備工業司汽車處處長陳春梅處獲悉,目前工信部正在加快起草和編制《促進汽車動力電池產業發展的指導意見》(下稱《指導意見》),有望在年內公布。
同時,已經進入最后打磨階段的動力電池技術路線圖也有望在近兩月發布。
推動新體系電池產業化
陳春梅表示,《指導意見》明確了動力電池產業2020年到2025年的主要發展目標,也提出了促進產業發展的重點任務和保障措施。
“2020年的目標現在已經很明確了,2025的目標是:要進一步加快研發和生產新體系的電池,推動新體系電池的產業化。”陳春梅說。
此前6月30日,國家動力電池創新中心在京成立。工信部副部長辛國斌在成立大會上表示,動力電池2020年的目標是,電池單體比能量達到每公斤350瓦時,成本降至每瓦時0.6元。
而國家動力電池創新中心在建設方案建議書中又進一步提出,2020年前后,新能源汽車將不依賴政府財政補貼,或大幅度降低財政補貼,實現普及應用,純電動汽車續航里程將達到400km、整車售價不變——動力電池系統比能量需要提升至
250Wh/kg、成本需要下降至1.0元/Wh。
陳春梅介紹,《指導意見》將會在加快國家動力電池創新中心建設、加強鋰電池的升級和新體系電池的研發、推動產業鏈的協同發展、加強產品安全的質量檢查、完善管理業務體系等方面制定進一步的任務與措施。
除《指導意見》,陳春梅透露,動力電池的技術路線圖現在已經在做最后的文件打磨工作,并有望在近兩個月發布。
以鋰離子電池為主要技術方向,動力電池存在著磷酸鐵鋰和三元鋰電池的技術路線之分。我國動力電池產業以磷酸鐵鋰體系為主,日韓美等國則以三元材料為主。目前前者在能量、高低溫特性、經濟性上明顯低于國外采用三元材料動力電池的水平。
中國工程院副院長、中國金屬學會副理事長干勇認為,未來必須發展三元材料,而且必須要有新的突破,但是磷酸鐵鋰也不放棄,未來磷酸鐵鋰的方向是在磷酸鐵錳鋰和石墨烯磷酸鐵鋰材料,后者照樣可以提高比容量,過濾到最后性能可能差不多,要進一步比較成本。
辛國斌則表示,各種技術路線不是對立的,而是針對不同的客戶需求,作出的不同的市場定位。中國新能源汽車有公交車、私家車、出租車、物流車等不同類別,對其續航里程、動力性能、成本的要求也有很大差異,應以細分市場的需求為導向探索適用的產品。
推多項政策突破產業瓶頸
2015年全球新能源汽車產量約54.9萬輛,中國以37.9萬輛位居第一,同比幾乎增長了4倍,據國聯汽車動力電池研究院預測,2020年,我國新能源汽車產能將達到200萬輛,動力電池需求量將達到1000億Wh,新增建設投資達到1000億元以上;2025年新能源汽車產能將達到300萬輛,動力電池產業潛力無窮。
不過,中國的動力電池產業目前仍面臨著諸多問題:整個行業小散亂的情況非常嚴重,存在盲目投資和重復建設的情況,產品關鍵零部件缺乏穩定性,產品質量等問題也日益凸顯,蓄電實施管理系統和集成能力也比較弱。
據干勇介紹,目前中國的動力電池企業有上千家,具備100萬千瓦電池生產能力的企業只有十家左右,中國最大的企業比亞迪市場占有率也只有百分之十四左右。由于沒有特大企業,創新資源非常分散,大多數企業的經濟規模、盈利能力、研發隊伍、研發能力、研發體系與日本、韓國企業相差甚遠。
針對這一行業現狀,2015年工信部發布了《汽車動力蓄電池行業規范條件》,并公布了符合要求的多批企業。陳春梅表示,工信部會對《規范條件》做進一步的修訂完善,加強對產品規模、研發能力、產品一致性等方面的要求,也會加強對應用類企業的監督監管。
而針對動力電池安全和可靠性不強的問題,陳春梅透露,工信部正在加快制定動力電池的產品性能、可靠性、循環壽命、回收利用、編碼、規格尺寸等一系列的標準,安全性上的標準將有進一步的修訂和加嚴,對于目前已投放在市場上的產品將有進一步的規范。
動力電池的另一個瓶頸是,產業發展的協同機制沒有形成。動力電池、電池系統和電動汽車產業在技術路線、產品要求、質量體系、電池回收等方面缺乏統一的認識,沒有建立技術鏈、產業鏈各環節之間協同發展的機制。
陳春梅介紹,正在加快出臺動力電池回收再利用的實施辦法,會明確各方的責任,提出生產者責任延伸制度。另外會加強動力電池產品資源管理系統建設,現在正在制定新能源電池回收利用的試點方案,下一步將組織開展在一些重點的地區、一些可以回收利用的領域,做一些試點工作。
